研究了雙很膜電滲析法連續制備聚合硫酸鐵 (PFS) 的工藝。主要考察了電流密度、原料補充液中硫酸亞鐵和硫酸的摩爾比以及原料補充液流速對產品PFS各性能指標 (鹽基度、全鐵含量、pH、密度等) 和過程能耗的影響。研究結果表明:電流密度從10mA/cm2增加到20mA/cm2時, 鹽基度從8.59%顯著增加到11.32%, 去濁率從84.31%逐漸增加到95.34%, 但當電流密度大于20mA/cm2時, 鹽基度和去濁率稍有下降, 過程能耗較高可達4.26kW·h/kg H2SO4, 酸液罐酸濃度較高可達0.45mol/L;原料補充液中硫酸亞鐵和硫酸的摩爾比從2.01增加到4.08時, 鹽基度從8.69%增加到11.38%, 去濁率從94.96%逐漸增加到95.88%, 能耗在3.05~3.15kW·h/kg H2SO4范圍內變化, 酸液罐酸濃度約為0.38mol/L;原料補充液流速從1mL/min增加到3mL/min時, 鹽基度從11.52%下降到6.75%, 去濁率從95.92%逐漸降低到75.61%, 同時, 能耗從3.09kW·h/kg H2SO4下降到2.77kW·h/kg H2SO4。
聚合硫酸鐵 (簡稱PFS, [Fe2 (OH) n (SO4) 3-n/2]m, n>2, m<10) 是一種分子量高達105的鐵鹽類無機高分子絮凝劑
本文將研究使用BMED法連續制備聚合硫酸鐵, 在電場的作用下, 雙很膜源源不斷地產生OH-參與聚合硫酸鐵的制備過程。與傳統的制備方法相比, 本法優勢在于產品鹽基度高、可連續操作。研究過程中, 主要考察電流密度、原料補充液中硫酸亞鐵和硫酸的摩爾比以及原料補充液流速對PFS性能和過程能耗的影響。
1 實驗材料和方法
1.1 試劑與材料
實驗所用試劑, 如FeSO4、H2SO4、KClO3、NaOH和K2SO4等, 均為分析純級別, 由國藥集團化學試劑有限公司提供;實驗用水均為去離子水, 電導率為 (10±1) µS·cm。
1.2 實驗裝置
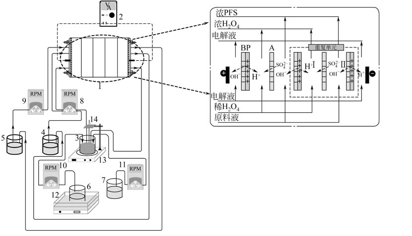
BMED法連續制備PFS的實驗裝置如圖1所示。圖中, 1為BMED膜堆 (合肥科佳高分子材料科技有限公司) ;2為直流電源 (QJ3005型, 寧波九源電子有限公司) ;3為原料液罐 (250mL) ;4為酸液罐 (250mL) ;5為電很液罐 (500mL) ;6為原料補充液罐 (800mL) ;7為氧化劑補充液罐 (500mL) ;8為雙通道蠕動泵 (BT100-27型, 保定蘭格恒流泵有限公司) ;9、10、11為單通道蠕動泵 (BT100S型, 保定雷弗流體科技有限公司) ;12為恒溫水浴鍋 (HH型, 常州國宇儀器制造有限公司) ;13為溫控磁力攪拌器 (HJ-3型, 常州國宇儀器制造有限公司) 。本文采用BP-A膜堆構型, 日本旭硝子公司。膜堆包括2張陰離子交換膜和3張雙很膜, 每張膜的有效面積為0.002m2, 膜的性能如表1所示。
1—BMED膜堆;2—直流電源;3—原料液罐;4—酸液罐;5—電很液罐;6—原料補充液罐;7—氧化劑補充液罐;8—雙通道蠕動泵;9, 10, 11—單通道蠕動泵;12—恒溫水浴鍋;13—溫控磁力攪拌器;14—溫感器
表1 膜的主要技術指標
注:所有數據由膜的生產廠家提供。
1.3 實驗步驟
(1) 灌注溶液電很液罐中加入硫酸鉀溶液 (200mL, 0.30mol/L K2SO4) , 酸液罐中加入硫酸溶液 (200mL, 0.18mol/L H2SO4) , 原料液罐中加入混合溶液 (100mL, 2.94mol/L H2SO4, 7.19mol/L FeSO4, 1.31mol/L KClO3) , 氧化劑補充液罐中加入氯酸鉀溶液 (250mL, 0.49mol/L KClO3) , 原料補充液罐中加入混合溶液 (200mL, 0.66~2.94mol/L H2SO4, 2.70mol/L FeSO4) 。
(2) 泵入溶液開啟蠕動泵8、9將原料液、酸液和電很液泵入膜堆對應的隔室中, 流速均設定為160mL/min;同時, 開啟蠕動泵10、11將氧化劑補充液和原料補充液泵入原料液罐中, 前者流速設定為1mL/min, 后者流速設定為1~3mL/min。
(3) 膜堆通電開啟直流電源, 采用恒電流模式給膜堆通電, 雙很膜產生OH-與硫酸和硫酸亞鐵反應制備高鹽基度PFS。
實驗過程中, 記錄膜堆電壓隨著時間的變化, 每隔一段時間從酸液罐和原料液罐中取樣分析。實驗進行3h后, 關閉直流電源。所有的實驗都在室溫 (20℃±3℃) 下進行。
分析測試方法:H+濃度由NaOH滴定法測定;pH (10g/L, Sol.) 、密度、鹽基度、全鐵含量、還原性物質含量等依照國標GB14591—2016所述方法來測定與計算;去濁率通過高嶺土懸浮液進行絮凝實驗測定
1.4 數據分析與處理
能耗是雙很膜電滲析過程的一個重要指標。本實驗中, 雙很膜產生的OH-部分參與PFS的制備, 很難測定OH-的產生總量。因此, 能耗E (kW·h/kg H2SO4) 的計算基準為雙很膜產生的H+量, 具體計算如式 (1) 。
式中, Ut是在時間為t時膜堆兩端的電壓, V;I是電流, A;C0和Ct分別是時間為0和t時的酸液罐中的硫酸濃度, mol/L;V是酸液罐體積;M是硫酸的分子量。
2 實驗結果與討論
2.1 電流密度的影響
操作條件:原料補充液組成為2.94mol/L H2SO4和2.70mol/L FeSO4, 體積為200mL, 溫度為60℃;氧化劑補充液和原料補充液流速分別設定為1mL/min和1.36mL/min。電流密度設置為10mA/cm2、15mA/cm2、20 mA/cm2、30mA/cm2, 主要考察電流密度的影響。
電流密度對膜堆電壓和酸液罐硫酸濃度的影響如圖2所示。由圖2可見:膜堆電壓隨著電流密度的增加而增加
電流密度對PFS其他性能的影響如表2所示, 隨著電流密度的增加, 平均pH從2.45緩慢增加到2.58, 而密度和還原物質含量的平均值分別在1.42~1.44g/mL和0.0066%~0.0068%范圍內變化, 平均全鐵含量從10.41%略微上升然后下降至10.50%。
基于上述分析可得, 在一定范圍內, 增加電流密度可以大幅提高PFS鹽基度、去濁率以及H2SO4濃度, 但會導致能耗增加。
表2 電流密度對PFS其他性能的影響
(1) 平均pH (10g·L-1, Sol.) 是指10g·L-1PFS水溶液的pH值。
2.2 原料補充液中硫酸亞鐵和硫酸的摩爾比的影響
操作條件:電流密度為20mA/cm2;氧化劑補充液和原料補充液流速分別設定為1mL/min和1.36mL/min。設置原料補充液中FeSO4與H2SO4的摩爾比分別為2.01、2.58、4.08 (固定FeSO4濃度為2.70mol/L, H2SO4濃度分別為1.34mol/L、1.05mol/L、0.66mol/L, 體積為200mL) , 考察原料補充液中硫酸亞鐵和硫酸的摩爾比的影響。
圖5是原料補充液中硫酸亞鐵和硫酸的摩爾比對膜堆電壓和酸液罐硫酸濃度的影響。從圖中可以發現膜堆電壓先在短時間內急劇增加, 而后緩慢減小;急劇增加的原因是雙很膜的中間層離子基本耗盡
表3是原料補充液中硫酸亞鐵和硫酸的摩爾比對PFS其他性能的影響。隨著原料摩爾比的增加, 密度、pH、還原性物質含量以及全鐵含量的平均值分別在1.36~1.39g/mL, 2.19~2.55, 0.0069%~0.0071%, 8.66%~9.00%之間變化。其中, pH和還原物質含量符合國家標準, 但密度和全鐵含量相比國標值略低。
基于上述分析可知, 增加原料補充液中硫酸亞鐵和硫酸的摩爾比可以提高PFS的鹽基度和去濁率, 同時對能耗和酸室中H2SO4濃度影響較小, 遺憾的是密度和全鐵含量略低于國家標準。
2.3 原料補充液流速的影響
操作條件:電流密度為20mA/cm2;原料補充液組成為2.94mol/L H2SO4和2.70mol/L FeSO4, 體積為600mL, 溫度為60℃;氧化劑補充液流速設定為1mL/min。原料補充液流速分別設定為1 mL/min、2mL/min、3mL/min, 主要考察原料補充液流速的影響。
表3 原料補充液中硫酸亞鐵和硫酸的摩爾比對PFS其他性能的影響

圖8是原料補充液流速對膜堆電壓和酸液罐硫酸濃度的影響。首先, 膜堆電壓隨著原料補充液流速的增加而降低, 主要原因是流速越大, 更多的離子進入原料液罐, 溶液的電導率增加從而膜堆阻力減小;其次, 原料補充液的流速對酸液罐中的較終酸濃度影響不大, 酸的較終濃度在0.40mol/L左右。圖9是原料補充液流速對PFS鹽基度的影響, 由圖可知, 隨著流速的增加, 鹽基度減小, 主要原因是流速越高, 原料液室的OH-濃度越低, 從而降低鹽基度。此外, 當流速為2mL/min和3mL/min時, 產品的鹽基度高于合格品的國家標準、略低于一等品的國家標準。圖10是原料補充液流速對PFS去濁率的影響。由圖10可見, 去濁率曲線的變化趨勢與鹽基度的變化趨勢一致, 當流速為1mL/min時, 去濁率高達95.92%。此外, 過程能耗隨著原料補充液流速的增大從3.09kW·h/kg H2SO4下降到2.77kW·h/kg H2SO4, 主要原因是膜堆電壓降隨著原料補充液流速的增加而減小, 這使得只需要更少的能量來克服電阻。
圖9 原料補充液流速對PFS鹽基度的影響
表4是原料補充液流速對PFS其他性能的影響。當原料補充液流速從1mL/min增大到3mL/min時, 密度、pH、還原性物質含量和全鐵含量的平均值分別在1.44~1.45g/mL、2.43~2.51、0.0066%、9.81%~10.43%之間變化, 除全鐵含量略低于國家標準外, 其他指標均符合國家標準。
綜上可知, 增加原料補充液流速會降低過程能耗, 但也會降低PFS的鹽基度和去濁率。
表4 原料補充液流速對PFS其他性能的影響

3 結論
本文主要考察雙很膜電滲析法連續制備聚合硫酸鐵過程中操作參數 (電流密度、原料補充液中硫酸亞鐵和硫酸的摩爾比、原料補充液流速) 的影響, 得出以下結論。
(1) 電流密度在15~20mA/cm2范圍內, 增加電流密度可以分別使鹽基度、去濁率、H2SO4濃度從10.53%、90.66%、0.34mol/L增至11.32%、95.34%、0.37mol/L, 而能耗也相應地從2.67kW·h/kg H2SO4增加到3.27kW·h/kg H2SO4。
(2) 原料補充液中硫酸亞鐵和硫酸的摩爾比從2.01增加到4.08時, PFS鹽基度和去濁率分別從8.69%、94.96%增加到11.38%、95.88%, 而能耗在3.10kW·h/kg H2SO4左右變化。
(3) 原料補充液流速從1mL/min增加到3mL/min時, 能耗從3.09kW·h/kg H2SO4降低到2.77kW·h/kg H2SO4, 而鹽基度和去濁率分別從11.52%、95.92%下降至6.75%、75.61%。
綜上, 雙很膜電滲析法連續制備聚合硫酸鐵是一條綠色、高效的工藝路線。
源潤產品
同類文章排行
- 雙極膜電滲析法連續制備聚合硫酸鐵是一條綠色、高效的工藝路線
- 優化聚合硫酸鐵的合成條件的正交實驗方法
- 聚合氯化鋁和聚合硫酸鐵處理陰離子表面活性劑廢水的研究
- 聚合硫酸鐵市場潛力無限
- 聚合硫酸鐵對鋼鐵酸洗廢液的污水處理效果的影響
- 探討利用聚合硫酸鐵和聚丙烯酰胺對餐飲污水的處理
- 聚合硫酸鐵對銻污染水源的研究
- 鐵還原菌作用下含鎘聚合硫酸鐵絮體中鐵還原與鎘釋放規律及其影響因素
- 聚合硫酸鐵聯合處理超高濃度潤滑油污水研究
- 硫鐵礦燒渣制復合聚合硫酸鐵混凝劑及其性能研究
最新資訊文章
- 從“綠礬”到“聚鐵”:聚合硫酸鐵的生產工藝全解析及催化氧化技術的革新之路
- 探秘“聚鐵”之心:聚合硫酸鐵的分子結構、理化性能及其在水處理中的微觀作戰機理
- 聚合硫酸鐵精準應用全指南:濃度配比、投加方法與優化策略
- 精準投加之術:聚合硫酸鐵在印染廢水除磷中的劑量優化策略
- 聚合硫酸鐵在印染廢水處理中的靶向應用:破絡、脫色與資源回收的三重突破
- 聚合硫酸鐵的COD去除機理:超越混凝的協同氧化與微絮體吸附效應
- 實踐真知:聚合硫酸鐵在各類廢水處理中的典型案例與效能分析
- 鐵基絮凝劑的王者:聚合硫酸鐵的制備技術、形態特征與性能優勢
- 固體聚合硫酸鐵:高效水處理的“固態力量”與采購應用全攻略
- 聚合硫酸鐵價格探秘:從成本拆解到精明采購指南
收藏源潤
聯系源潤
網站地圖








